上一篇: 没有了
下一篇: 没有了
贮存容量大、浪费低
使用方便、工人工作效率高
安全性高、工作环境整洁美观
产品特点:
(以 175L 杜瓦罐为例)该型号杜瓦罐占地面积小, 一支杜瓦罐的容量可折合钢瓶气 28 瓶,大幅度减少换瓶次数,提高日常生产 效率。气体利用率高,钢瓶气体每次使用完毕后必须留有余压,而 175L 杜瓦 罐可以避免任何浪费,降低用户的用气成本。
杜瓦罐自带增压装置,不许用户外接电源 或其他设备,杜瓦罐的使用只需一人操作,可实现连续不间断供气。传统钢 瓶从连接到使用,整个过程约 2 分钟,按月使用 900 瓶计算,共计换气时间为 1800 分钟,低温杜瓦罐的使用大大提高了工人的工作效率,降低了工人的 劳动强度。
杜瓦罐在满瓶状态下正常工作压力为1.3MPa,同时配有 3 重保护减压装置,安全性非常高,即便出现意外情况,最 严重的后果只是罐内液体以气体的形式通过安全阀对外排放,不会造成人员伤亡和财产损失。传统钢瓶满瓶压力在 13--13.5MPa 之间(130 公斤-135 公 斤),属于高压气瓶,在安全保障方面只配备保险片一项措施。在高温的环 境下容易发生危险,且一旦发生爆炸,后果是毁灭性的。
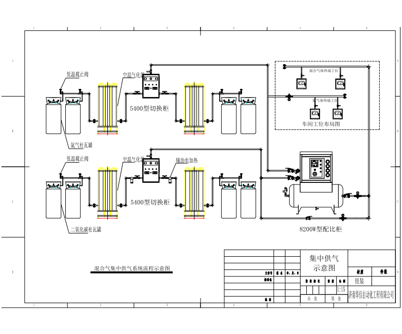
4.常规杜瓦罐设计压力范围均在1.6mpa-3.2mpa,由于杜瓦罐储存形式为液态存储,所以正常供气流程应按照实际用气量选配相应的汽化器,将液体气化后加装稳压系统,通过稳压系统按照实际使用压力进行减压,由于杜瓦罐属于流动性压力容器,该系统多以撬装形式投放市场,撬装系统可通过客户实际情况进行量身定做。

现场案例:

上一篇: 没有了
下一篇: 没有了
Copyright © 济南华信流体控制有限公司 版权所有 鲁ICP备17006934号-1