上一篇: 没有了
下一篇: 没有了
储存量大、液体采购成本低
使用方便、工人劳动效率高
安全性高、工作环境整洁美观
可实现智能化管理
产品特点:
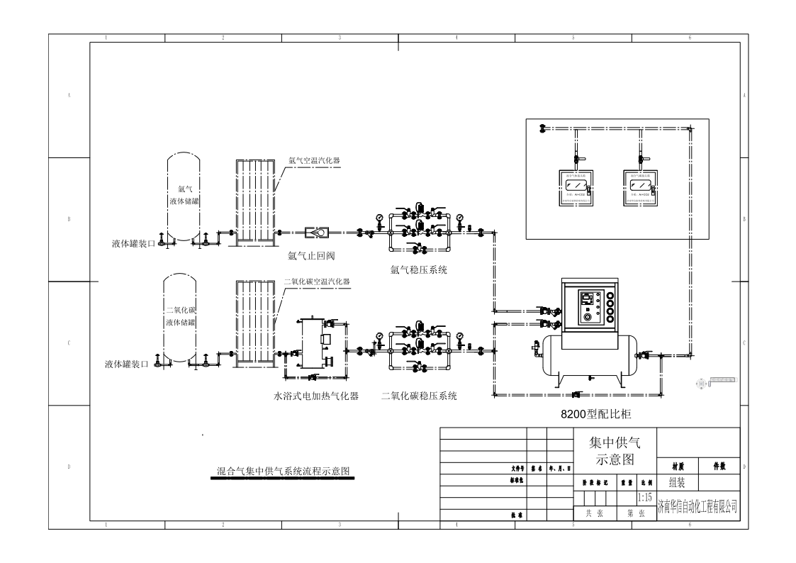
大型低温储槽集中供气模式,是所有供气模式中最为方便,节俭、安全的供气模式,该模式可根据客户自身的用气量和计划使用周期,选择不同容积的储罐,储槽式集中供气具有以下设计优势:
(以20m³型号氩气低温储槽为准)该型号低温储槽占地面积约6平方米,高约8米。净容积20m³,气化为气体后为16000立方米气体。客户可完全使用完储槽内气体,不存在浪费。传统标准钢瓶在充装压力为15MPa的情况下,要装入16000立方米气体大约需要钢瓶3000支,目前钢瓶在充装后到达用户手中,因温度下降,其瓶内压力在13~13.5MPa之间,同时钢瓶使用需留余气,用户每瓶实际使用到约5立方米左右气体。照此计算,用传统钢瓶包装,用户要使用16000立方米气体,约需钢瓶3000支。3000支钢瓶占地面积约222平方米。由此可得出用低温储罐集中供气贮存容量大 浪费低 便于管理。
2.使用方便,工人劳动效率高:
3.安全性高、工作环境整洁美观:
低温储槽在灌装满后,使用时更高工作压力为1.7Mpa。同时杜瓦瓶配有3重保护减压装置。安全性能非常高。即便出现意外情况,最严重的后果只是储槽内液体以气体的方式排出,不会造成人员伤亡及财物损失。传统钢瓶在灌装满后,瓶内压力在13~13.5MPa之间(约130公斤~135公斤),属于高压气瓶,在安全保障方面只配备保险片一项措施。在高温环境下容易发生危险,且一旦发生爆炸,后果是毁灭性的。
4.可实现智能化管理:
该系统可选配智能化管理控制系统,系统运行各项数据包括液位、压力、气化温度、压力调节范围、混合气含量及流量等各项数据均可实现远程操控,减少人员活动量,杜绝因人为操作失误而造成的人身伤害和经济损失。








上一篇: 没有了
下一篇: 没有了
Copyright © 济南华信流体控制有限公司 版权所有 鲁ICP备17006934号-1